Machine de séchage par atomisation pour arôme alimentaire

Machine de séchage par atomisation pour arôme alimentaire

Description
La machine de séchage par atomisation pour arôme alimentaire intelligente de série TPG est une nouvelle unité de séchage par pulvérisation que notre société a créé sur la base de plusieurs années d'expérience dans la production du sécheur par pulvérisation. Elle est adaptée au séchage et la granulation d'émulsion, de liquide de suspension, de matériaux gluants, et ainsi de suite. Grâce à l'utilisation de coupe tournante et d'air d'entrée, les matériaux sont en mesure d'être balayés des murs intérieurs, empêchant ainsi toute adhérence et favorisant ainsi l'efficacité de séchage. Le système de collecte à purification centralisée recueille les produits finis. Nous utilisons un système de contrôle automatique intelligente PLC et d'autres nouvelles technologies, ce qui en fait une machine de séchage par atomisation pour arôme alimentaire très avancée.



Paramètres techniques de la machine de séchage par atomisation pour arôme alimentaire
Item Data
TPG5 TPG25 PG50 TPG100 TPG150 TPG200 TPG500 TPG1000
W Water evaporation amount (Kg/h) ≥ 5 25 50 100 150 200 500 1000
Inlet hot air Temp (℃) ≥ 220
Outlet air Temp (℃) ≤ 90
Heating way Electric Electric plus steam Oil , gas , furnace
Clean degree of system 300 thousand level
Atomizer disk diameter (mm) ¢50 ¢108 ¢120 ¢130 ¢150 ¢150 ¢150 ¢190
Atomizer rotate speed (r/min) 35000 20500 17600 17600 15500 15500 15500 11570
Product yield About 98.5%

Remarque: les données sont modifiées conformément à l'exigence des clients. Les données ci-dessus sont juste pour référence.

Caractéristiques technologiques de la machine de séchage par atomisation pour arôme alimentaire
1. Cet appareil utilise un atomiseur centrifuge linéaire à haute vitesse, avec une vitesse de liaison de 16000 rpm. Il est approprié pour le séchage et la granulation de matières liquides, solides, de haute teneur en matières solides.
2. Cette machine de séchage par atomisation pour arôme alimentaire utilise la technologie de déshumidification et de refroidissement. Elle est appropriée au séchage et granulation des matériaux visqueux, huileux ou sensibles à la chaleur.
3. La machine de séchage par atomisation pour arôme alimentaire utilise une collection de purification centralisée où les produits finis peuvent être collectés dans une chambre propre, ce qui permet un niveau d'hygiène élevé, et évite la pollution de l'extérieur.
4. L'appareil utilise trois niveaux de système de décharge indépendant et une technologie de pulvérisation et de lavage multiple pour améliorer la récupération des matériaux.
5. La fileuse-coupeuse et l''air entrant balayent les murs, ce qui résout ainsi le problème de tous les matériaux collés sur les parois intérieures de la machine de séchage par atomisation pour arôme alimentaire.
6. Cet appareil est équipé de technologie intelligente de mesure de température infrarouge et de contrôle automatique. Grâce à la rétroaction température réelle, il ajuste automatiquement la capacité d'alimentation du matériau liquide et garantit la qualité des produits finis. Grâce à l'utilisation de la conception du programme, du cryptage, de correction, et du système de fonctionnement PLC, la machine de séchage par atomisation pour arôme alimentaire augmente effectivement la précision de l'exécution de paramètres de traitement, garantissant ainsi la qualité des produits et améliorant le niveau de gestion de production moderne.
7. Afin de faciliter l'utilisation de cet appareil, la source de chauffage peut être électrique, à vapeur, combustible, ou à gaz naturel selon la situation spécifique.
8. La technologie de pointe de prévention de blocage est utilisée pour éviter les blocages lors de la décharge des produits finis.

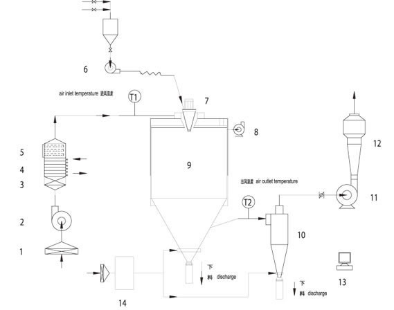
Schéma du procédé

皇冠app手机投注下载
1. primaire et filtre à air intermédiaire efficace
2. ventilateur
3. filtre à air sous haute efficacité
4. chaudière à vapeur
5. chauffage électrique
6. pompe d'alimentation
7. atomiseur
8. ventilateur de refroidissement mural
9. tour de séchage
10. cyclone
11. ventilateur de tirage
12. torchon d'eau
13. boîtier de commande
14. machine à déshumidifier et à réfrigérer

Champ d'application
La machine de séchage par atomisation pour arôme alimentaire est adaptée aux matériaux liquides, pâteux ou humides, tels que: l'essence salé, la soupe des os, la poudre de sol, l'acide aminé, la poudre de vinaigre, etc.
En outre, elle peut sécher d'autres additifs alimentaires, l'albumine de poisson en poudre, la poudre d'œuf, la poudre de champignon, la dextrine, les extraits végétaux, et ainsi de suite.

Clients typiques
Angsana Food Industries SDN BHD
Muskvale Pty Ltd
Huixiangyuan Biology Science Co., Ltd de Guangdong
Zhongwang Food Group Co., Ltd de Hebei
Pinzheng Food Co., Ltd de Henan
Dingwei Food Co., Ltd de Zhejiang
Groupe Huabao
North Sunlight Food Additive Co., Ltd de Pékin
Xumei Flavour Co., Ltd de Shanghai